BMT Serisi Sıkıcı Sabit Araç Tutucu

Termal stabilite: karbon fiber yalıtım tabakası termal deformasyonu en aza indirir

Modüler Sistem: <15 saniyede farklı tutucular arasında hızlı değişim

Akıllı İzleme: Gerçek Zamanlı İşlem İzleme İçin Önceden Yüklü Sensör Bağlantı Noktaları



Ürün Detayları

Ürün Açıklaması

Takım tutucu, devrimci konik kilit teknolojisine (BMT-sıkıcı ve öğütme takım sistemi) sahip yüksek verimli hassas işleme için geliştirilen sert bir takım tutma sistemidir. 5 eksenli işleme merkezleri ve yatay sıkıcı/freze makineleri gibi üst düzey ekipmanlar için özel olarak tasarlanmıştır, havacılık ve kalıp üretim endüstrilerinde sıkı işleme gereksinimlerini karşılamak için benzersiz bir sertlik ve tekrarlanabilirlik sağlar.


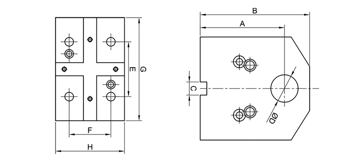
İşlemekUCT şeması

BMT Serisi Sıkıcı Sabit Araç Tutucu

Ürün parametresi

BMT Serisi Sıkıcı Sabit Araç Tutucu

Ürün avantajları

Üstün yüzey kaplaması: Titreşim sönümleme teknolojisi RA0.2 yüzey pürüzlülüğü elde eder

% 50 daha uzun araç ömrü: Stres dağıtım tasarımı bile araç ömrünü uzatır


BMT Serisi Sıkıcı Sabit Araç Tutucu


Kalite denetimi

Jiehe Machinery, Çin'de önde gelen bir araç tutucu üretim fabrikası ve denetim ve test merkezine sahiptir ve üretim yetenekleri zirvede yer almaktadır. Çekirdek üretim ve test ekipmanlarımız GroB, Takisawa, Doosan, Haimer, Kelch, Zoller, Mitutoyo vb. Bu ekipmanın kullanımı, üretim verimliliğimizin ve ürün kalitemizin üstünlüğünü daha da sağlar.

Ürün kalitesinin istikrarını sağlayan ve üretim verimliliğini büyük ölçüde artıran akıllı bir üretim hattımız var.


BMT serisi açılı iç delik sabit alet tutucu

BMT Serisi Sıkıcı Sabit Araç Tutucu


Fabrika gösterimi

2000 yılında kurulan Jiehe Machinery Co., Ltd., ulusal bir yüksek teknoloji işletmesi ve il düzeyinde teknoloji odaklı ve yenilikçi bir şirkettir. CNC takım tezgahı aksesuarlarında uzmanlaşan şirket, ürünlerin% 60'ı dışa aktarılmasıyla 1.000'den fazla ürün çeşidi sunmaktadır. 200'den fazla CNC makinesi ve 100'den fazla çalışandan oluşan bir ekiple Jiehe, 30'dan fazla ulusal patent kazandı ve CNCJIEHE, Sun Moon Lake ve Goose gibi bilinen ticari markalarıyla tanınıyor. Şirket, güçlü bir küresel pazar varlığı oluşturan Pekin, Şangay, ABD, Almanya, İtalya ve Tokyo'daki uluslararası sergilere düzenli olarak katılıyor. Jiehe, Almanya ve Japonya'daki en iyi şirketleri karşılaştırarak hızlı bir gelişme sağladı ve Jining, Shandong, Suzhou ve ötesindeki iştiraklerle kapsamlı bir üretim ve Ar -Ge üssü kurdu.


BMT Serisi Sıkıcı Sabit Araç Tutucu

BMT Serisi Sıkıcı Sabit Araç Tutucu

BMT Serisi Sıkıcı Sabit Araç Tutucu

BMT Serisi Sıkıcı Sabit Araç Tutucu

BMT Serisi Sıkıcı Sabit Araç Tutucu

Mesajlarınızı bırakın

İlgili Ürünler

x

Popüler ürünler

x