Süper Hassas Güç Aynası

Yüksek Hassasiyetli Sıkma: Gelişmiş üretim, hassas işleme için mikron düzeyinde tekrarlanabilirlik sağlar.

Güçlü Sürücü: Hidrolik/pnömatik sistemler, ağır hizmet tipi kesimlere uygun, sabit sıkma kuvveti sağlar.

Dayanıklı İnşaat: Yüzey sertleşmiş ısıl işlem görmüş alaşımlı çelik, servis ömrünü uzatır.



Ürün Detayları

Ürün açıklaması

Süper Hassas Güç Aynası, CNC torna tezgahlarında, işleme merkezlerinde ve diğer hassas takım tezgahlarında yaygın olarak kullanılan, yüksek hassasiyetli ve yüksek verimli işleme için tasarlanmış gelişmiş bir sıkma cihazıdır.Birinci sınıf alaşımlı malzemeler ve hassas mühendislikle üretilen bu ürün, olağanüstü sağlamlık ve dayanıklılık sunarak yüksek hızlı kesme ve ağır hizmet işleme için idealdir.Yenilikçi bir güç aktarma sistemine (hidrolik/pnömatik) sahip olan bu ürün, istikrarlı ve güvenilir sıkma kuvveti sağlar.Kullanıcı dostu tasarımıyla hızlı iş parçası yükleme/boşaltma ve yüksek tekrarlanabilirlik sağlayarak üretim verimliliğini ve işleme doğruluğunu önemli ölçüde artırır.

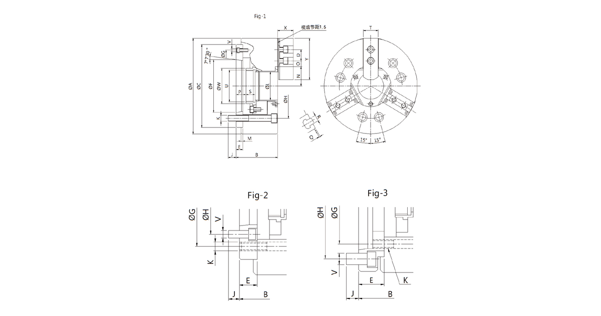
ProdUCT Şeması

Süper Hassas Güç Aynası

Ürün parametresi

Süper Hassas Güç Aynası

Ürün avantajları

Geliştirilmiş Verimlilik: Sürekli yüksek doğruluklu işlemler için kurulum süresini azaltır.

Maliyet tasarrufu: Az bakım ve uzun kullanım ömrü, arıza maliyetlerini en aza indirir.

Güvenlik güvencesi: Aşırı yük koruması, iş parçasının kaymasını veya makinenin hasar görmesini önler.

Özel Çözümler: Özel uygulamalar için özel tasarımlar mevcuttur.


Süper Hassas Güç Aynası


Kalite Kontrolü

Jiehe Machinery, Çin'de önde gelen bir takım tutucu üretim fabrikasına ve muayene ve test merkezine sahiptir ve üretim yetenekleri en üst sıralarda yer almaktadır. Temel üretim ve test ekipmanlarımız arasında GROB, TAKISAWA, Doosan, HAIMER, KELCH, ZOLLER, Mitutoyo, vb. bulunur ve ayrıca Alman Diebold'un tüm standart takım tutucularına ve takım tutucu göstergelerine sahibiz. Bu ekipmanların kullanımı, üretim verimliliğimizin ve ürün kalitemizin üstünlüğünü daha da garanti altına almaktadır.

Ürün kalitesinin istikrarını sağlayan ve üretim verimliliğini büyük ölçüde artıran akıllı bir üretim hattımız var.


Süper Hassas Güç Aynası


Süper Hassas Güç Aynası


Fabrika Teşhir

2000 yılında kurulan Jining Jiehe Machinery Co., Ltd., ulusal bir yüksek teknoloji kuruluşu ve il düzeyinde teknoloji odaklı ve yenilikçi bir şirkettir. CNC takım tezgahı aksesuarları konusunda uzmanlaşan şirket, 1.000'den fazla ürün çeşidi sunmaktadır ve ürünlerin %60'ı ihraç edilmektedir. 200'den fazla CNC makinesi ve 100'den fazla çalışandan oluşan bir ekiple Jiehe, 30'dan fazla ulusal patent kazanmıştır ve CNCJiehe, Sun Moon Lake ve Goose gibi tanınmış ticari markalarıyla tanınmaktadır. Şirket, Pekin, Şanghay, ABD, Almanya, İtalya ve Tokyo'daki uluslararası sergilere düzenli olarak katılarak güçlü bir küresel pazar varlığı oluşturuyor. Jiehe, Almanya ve Japonya'daki en iyi şirketleri kıyaslayarak hızlı bir gelişme sağladı ve Jining, Shandong, Suzhou ve ötesindeki yan kuruluşlarıyla kapsamlı bir üretim ve Ar-Ge üssü kurdu.


Süper Hassas Güç Aynası

Süper Hassas Güç Aynası

Süper Hassas Güç Aynası


Süper Hassas Güç Aynası

Süper Hassas Güç Aynası


Mesajlarınızı bırakın

İlgili Ürünler

x

Popüler ürünler

x